LES JOINTS TORIQUES

GENERALITES


Les joints toriques (O’RINGS) sont utilisés depuis de nombreuses années dans le domaine de l’étanchéité. Leur développement, la simplicité des montages ainsi que l’amélioration constante des techniques de fabrication et l’élaboration des élastomères de synthèse en font aujourd’hui des éléments d’étanchéité efficaces et économiques. Ils s’utilisent en application statique ou dynamique, mouvements alternatifs et rotatifs (jusqu’à 5 m/s/s dans ce cas) et en basse ou haute pression (+ 1000 bars).


APPLICATIONS DYNAMIQUES


DIMENSIONS DES GORGES MOUVEMENT ALTERNATIF

MOUVEMENT ROTATIF


Le joint est monté dans le cylindre. Profondeur de gorge C= section du joint x 0,95 Largeur de gorge D = section du joint x 1,05

Choisir de préférence un diamètre intérieur de joint légèrement supérieur à celui du piston (si possible de l’ordre de 5 %). L’effort de serrage se fera par l’extérieur


MOUVEMENT ALTERNATIF BASSE PRESSION

Un élastomère de faible dureté engendrera les efforts les plus réduits. Le principe est de ne pas donner de compression du joint au repos.


DIMENSIONS DES GORGES

Profondeur de gorge A et C = section du joint + 3/10 de mm jusqu’à diamètre 3 mm. Au delà de 3 mm, ajouter 4 à 5/10 mm. Largeur de gorge B ou D = section du joint + 1/10 de mm jusqu’à diamètre 3 mm. Au delà de 3 mm, ajouter 2 à 3/10 de mm. Prévoir un léger serrage du joint sur la partie frottante : Diamètre extérieur avec gorge sur piston, diamètre intérieur avec gorge sur cylindre.


USINAGE DES GORGES

Angles supérieurs : 0,2 à 0,4 mm. Angles fond de gorge : 0,2 du diamètre de tore. Etat de surface : 0,4 – 0,8 Ra.

TOLERANCE D’USINAGE


H7/g6 (H7/f7 pour pression < 80 bars). ETAT DE SURFACE

0,2 – 0,4 Ra en dynamique 0,8 – 1,6 Ra en statique.


 

APPLICATIONS STATIQUES


MONTAGE EN GORGES RECTANGULAIRES Avec compression radiale

Pour les bouchons, coussinets, et toutes applications de couvercles avec joints toriques selon montage ci-dessus, la section transversale du joint est fortement comprimée. Les côtes de montage pour les joints toriques selon les dimensions normalisées sont données par les tableaux respectifs. Pour les dimensions hors standard se reporter au tableau ci-dessus.


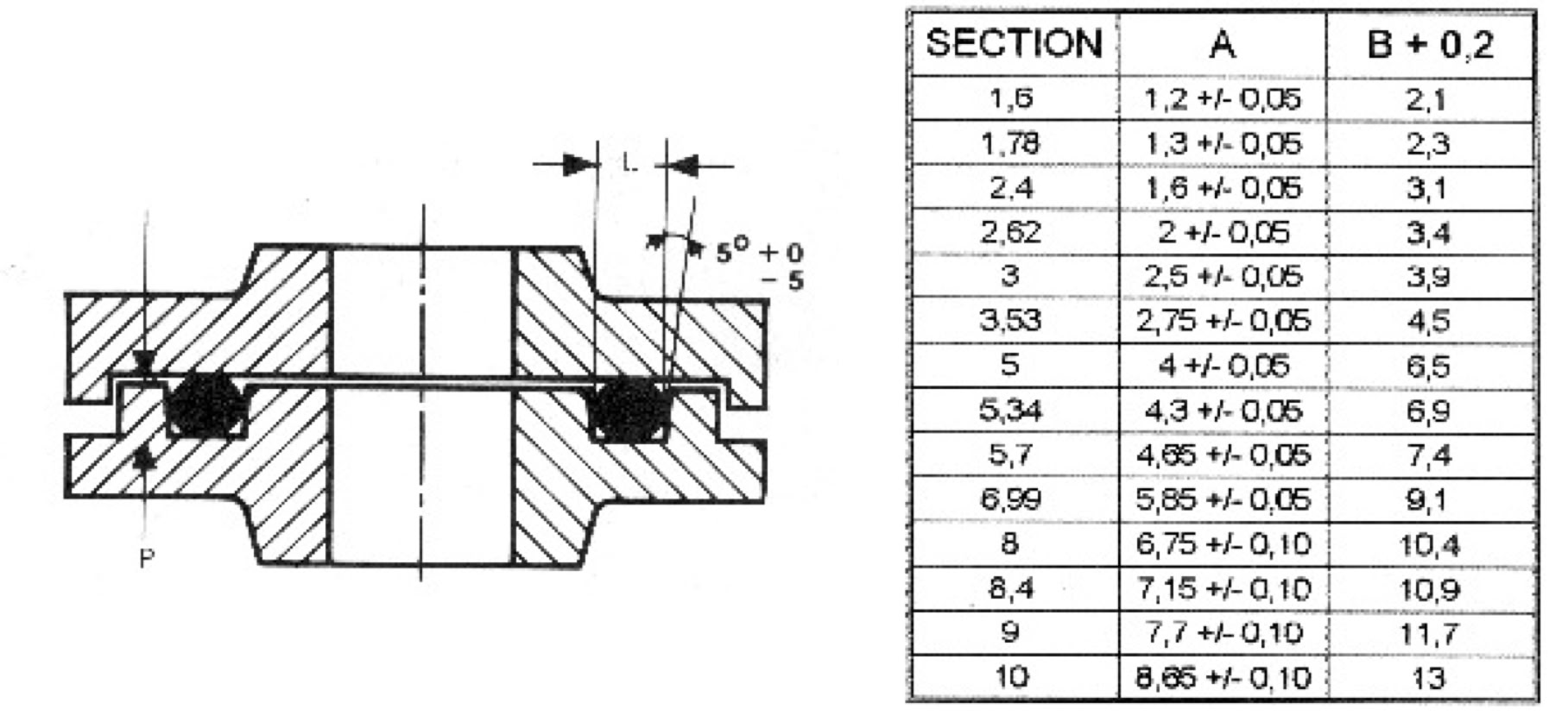
 MONTAGE EN GORGES RECTANGULAIRES Avec compression axiale

Normalement les joints toriques pour brides et couvercles sont comprimés axialement. Lorsque Il est nécessaire de calculer les dimensions des joints, il faut tenir compte de la direction de la pression de travail.

Si le joint torique est soumis a une surpression extérieure, le diamètre intérieur du joint doit correspondre ou être légèrement inférieur au diamètre intérieur de la gorge.

Au contraire, avec une surpression intérieure, le diamètre extérieur du joint doit être égal ou légèrement supérieur au diamètre extérieur de la gorge.

De cette façon, le joint torique ne risque pas de se déplacer dans la gorge sous l’effet de la pression et, par conséquent, on évite l’usure et la déformation.

Les dimensions de montage suivant les normes en millimètres et en pouces sont données par les tableaux respectifs.

Le tableau ci-dessus est valable pour les joints toriques de dimensions non normalisées.


 MONTAGE EN GORGES TRIANGULAIRES

Les joints toriques sont parfois utilisés pour des montages de couvercles et de brides, à gorges triangulaires.

Les dimensions exactes des gorges étant difficiles à réaliser, il est recommandé dans la mesure du possible, de prévoir des gorges rectangulaires.


 MONTAGE EN GORGES EN QUEUE D’ARONDE (trapézoïdales)

Avec compression axiale

Location Dot

Phone

Alternate Email

Téléphone : 

01 60 08 61 40

Email : 

Contact

Adresse : 

ZI « La trentaine »  8, Rue Gustave Eiffel

77507 Chelles cedex

Clock  du lundi au jeudi de 8h00 à 12h30 et de 13h30 à 18h00

          vendredi de 8h00 à 12h30 et de 13h30 à 16h30.

Ce site web utilise les cookies. Veuillez consulter notre politique de confidentialité pour plus de détails.

Refuser OK